Troy Bilt Sickle Bar Mower Parts

New products for september troy bilt sickle bar parts.
Troy bilt sickle bar mower parts. Yes printed troy bilt operator s manuals illustrated parts lists and troy bilt mtd engine manuals are available for purchase. 5 spacer 260 x 372 x 1 030. Sicklebar mower parts. Troy bilt 34337 4 hp 34 elec s n 343371100101 343371199999 sickle bar mower troy bilt 34337 4 hp 34 std s n 343371100101 343371599999 sickle bar mower troy bilt 5019 3hp 20 self propelled scissor cut mower.
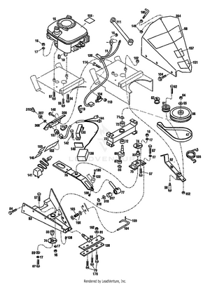
Sickle bar mower designs may be purchased through the mtd troy bilt parts distribution network. Sickle bar diagram and repair parts lookup for troy bilt 34063 troy bilt 42 sicklebar mower sn. Troy bilt sickle bar compression spring part 1765923. To order mtd troy bilt service parts call our customer support center or visit our online parts store to purchase parts accessories.
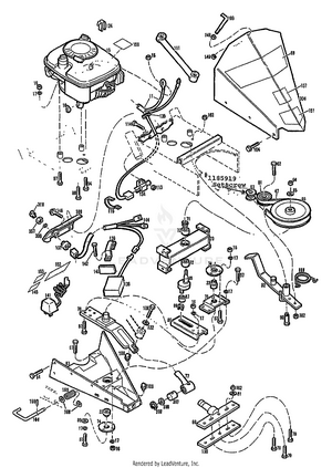
Troy bilt sickle bar mowers exploded view parts lookup by model. S n 340320100101 340320199999 34032 3 5hp 34 std. Troy bilt sickle mower 34 sickle blade assembly part. Ledger plate bar no longer available more info part number.
The price for a pre printed manual is typically less than 20 s h but can range up to 45 s h for larger documents. Troy bilt sickle bar mowers parts diagrams 34032 3 5hp 34 std. It is easy and free. Engine and cutter drive 1 diagram and repair parts lookup for troy bilt 34063 troy bilt 42 sicklebar mower sn.